40AST 5对极系列伺服电机
概要:
额定功率范围:100W,额定转矩范围:0.3Nm,最高额定转速:3000rpm,适配220V电压伺服驱动器,具有高响应\高精度\高防护\低转速波动\低温升\低振动噪音等特点,可根据客户要求配置17位\23位\25位编码器
关键词:
所属分类:
电话:
邮箱:
额定功率范围:100W,额定转矩范围:0.3Nm,最高额定转速:3000rpm,适配220V电压伺服驱动器,具有高响应\高精度\高防护\低转速波动\低温升\低振动噪音等特点,可根据客户要求配置17位\23位\25位编码器
详细介绍
| 电机型号 | 40AST-00330 |
| 额定功率(W) | 100 |
| 额定线电压(V) | 220 |
| 额定线电流(A) | 1.6 |
| 额定转速(rpm) | 3000 |
| 额定力矩(N.m) | 0.3 |
| 峰值力矩(N.m) | 0.9 |
| 反电势(V/1000r/min) | 12.8 |
| 力矩系数(N.m/A) | 0.19 |
| 转子惯量(×10-5kg.m²) | 0.7 |
| 线电阻(Ω) | 6.31 |
| 线电感(mH) | 5.3 |
| 电气时间常数(ms) | 0.84 |
| 绝缘等级 | Class F |
| 防护等级 | IP65 |
| 使用环境 | 环境温度:-20℃∽+50℃ 环境湿度:相对湿度<90%(不结霜条件) |
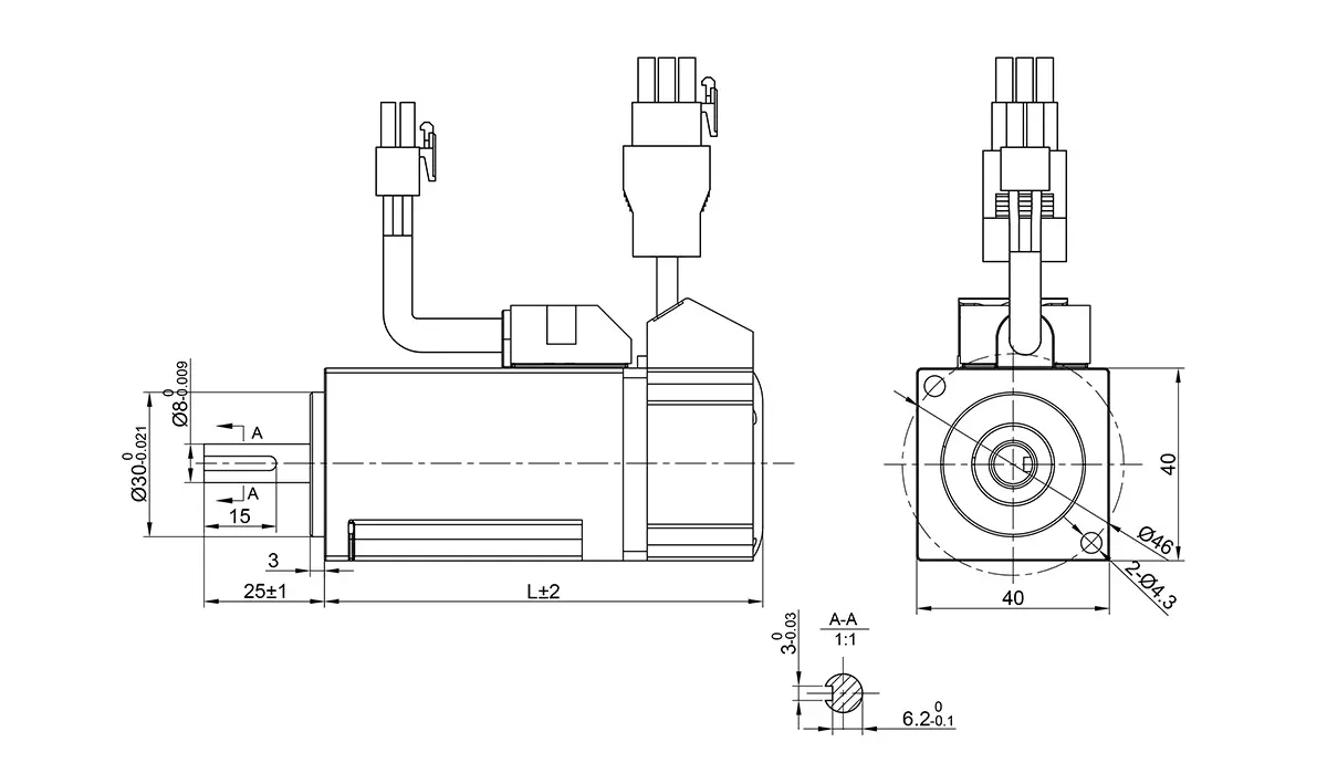
安装尺寸
| 额定力矩(N.m) | 0.3 |
| 不带抱闸尺寸(L) | 72.5 |

上一个
下一个
上一个
下一个
产品咨询
注意:请仔细天下您的电话号码或电子邮件,我们的专业人员会尽快与您联系!
厂房生产