110AST 5对极系列伺服电机
概要:
额定功率范围:1.3kW~1.7kW,额定转矩范围:4.2~7.5Nm,最高额定转速:3000rpm,适配220V-380V电压伺服驱动器,具有高响应\高精度\高防护\低转速波动\低温升\低振动噪音等特点,可根据客户要求配置17位\23位\25位编码器
关键词:
所属分类:
电话:
邮箱:
额定功率范围:1.3kW~1.7kW,额定转矩范围:4.2~7.5Nm,最高额定转速:3000rpm,适配220V-380V电压伺服驱动器,具有高响应\高精度\高防护\低转速波动\低温升\低振动噪音等特点,可根据客户要求配置17位\23位\25位编码器
详细介绍
| 电机型号 | 110AST-04230 | 110AST-05430 | 110AST-06420 | 110AST-07520 |
| 额定功率(KW) | 1.3 | 1.7 | 1.3 | 1.6 |
| 额定线电压(V) | 220/380 | 220/380 | 220/380 | 220/380 |
| 额定线电流(A) | 6.5/3 | 8.2/3.8 | 6.5/4.6 | 8.0/5.9 |
| 额定转速(rpm) | 3000 | 3000 | 2000 | 2000 |
| 额定力矩(N.m) | 4.2 | 5.4 | 6.4 | 7.5 |
| 峰值力矩(N.m) | 12.6 | 16.2 | 19.2 | 22.5 |
| 反电势(V/1000r/min) | 42.5/92.2 | 43/94 | 65/90 | 66/84.6 |
| 力矩系数(N.m/A) | 0.65/1.4 | 0.66/1.42 | 0.98 | 1.94/1.27 |
| 转子惯量(×10-3kg.m²) | 0.787(0.851) | 0.916(0.98) | 1.061(1.125) | 1.238(1.302) |
| 线电阻(Ω) | 0.63/2.91 | 0.55/2.25 | 0.81/1.73 | 0.78/1.1 |
| 线电感(mH) | 3.1/14.3 | 2.58/12.8 | 4.98/9.5 | 4.48/6.27 |
| 电气时间常数(ms) | 4.92/6.52 | 4.69/5.7 | 6.1/5.49 | 5.74/5.7 |
| 绝缘等级 | Class F | |||
| 防护等级 | IP65 | |||
| 使用环境 | 环境温度:-20℃∽+50℃ 环境湿度:相对湿度<90%(不结霜条件) | |||
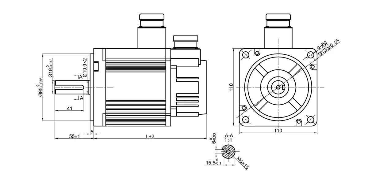
安装尺寸
| 额定力矩(N.m) | 4.2 | 5.4 | 6.4 | 7.5 |
| 不带抱闸尺寸(L) | 160 | 170 | 180 | 191 |
| 带抱闸尺寸(L) | 186 | 196 | 206 | 217 |

上一个
下一个
上一个
下一个
产品咨询
注意:请仔细天下您的电话号码或电子邮件,我们的专业人员会尽快与您联系!
厂房生产