110MM 三相式混合步进电机
概要:
关键词:
所属分类:
电话:
邮箱:
详细介绍
| 步进精度 | 温升 | 环境温度 | 绝缘电阻 | 耐压 | 径向跳动 | 轴向跳动 |
| ±5% | 80℃ Max | -20℃∽+50℃ | 100MΩ Min.500VDC | 500VDC 1minute |
0.02mm Max.(450g -load) |
0.08mm Max.(450g -load) |
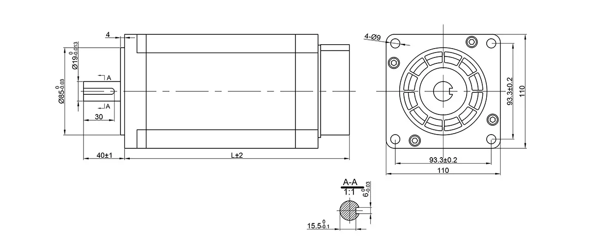
技术数据
| 型号 | 步距角(*) | 机身长(L)(mm) | 保持转矩(N.m) | 额定电流(A/phase) | 电阻(Ω) | 电感(mH) | 转动惯量(gcm²) | 轴径(mm) | 轴伸(mm) | 重量(kg) |
| FHB31112 | 1.2 | 127 | 8.0 | 4.3 | 1.04 | 4.3 | 6000 | 19 | 平键 6×30 | 5.0 |
| FHB31115 | 1.2 | 151 | 12 | 6.0 | 0.6 | 2.67 | 9720 | 19 | 平键 6×30 | 6.3 |
| FHB31118 | 1.2 | 185 | 16 | 6.4 | 0.7 | 2.96 | 13560 | 19 | 平键 6×30 | 8.5 |
| FHB31122 | 1.2 | 219 | 20 | 6.9 | 0.57 | 2.46 | 17400 | 19 | 平键 6×30 | 10.7 |
*以上仅为代表性产品,派生产品可根据客户要求制作!

上一个
下一个
上一个
下一个
产品咨询
注意:请仔细天下您的电话号码或电子邮件,我们的专业人员会尽快与您联系!
厂房生产