100AST 5对极系列伺服电机
概要:
额定功率范围:1kW~2.0kW,额定转矩范围:3.2~6.4Nm,最高额定转速:3000rpm,适配220V-380V电压伺服驱动器,具有高响应\高精度\高防护\低转速波动\低温升\低振动噪音等
关键词:
所属分类:
电话:
邮箱:
额定功率范围:1kW~2.0kW,额定转矩范围:3.2~6.4Nm,最高额定转速:3000rpm,适配220V-380V电压伺服驱动器,具有高响应\高精度\高防护\低转速波动\低温升\低振动噪音等
详细介绍
| 电机型号 | 100AST-03230 | 100AST-04930 | 100AST-06430 |
| 额定功率(KW) | 1.0 | 1.5 | 2.0 |
| 额定线电压(V) | 220/380 | 220/380 | 220/380 |
| 额定线电流(A) | 7/4.5 | 8.5/5.1 | 10.6/6.6 |
| 额定转速(rpm) | 3000 | 3000 | 3000 |
| 额定力矩(N.m) | 3.2 | 4.9 | 6.4 |
| 峰值力矩(N.m) | 9.6 | 14.7 | 19.2 |
| 反电势(V/1000r/min) | 34.5/54 | 42/70 | 42.1/68 |
| 力矩系数(N.m/A) | 0.46/0.71 | 0.58/0.82 | 0.6/0.97 |
| 转子惯量(×10-4kg.m²) | 2.43(2.63) | 3.503(3.803) | 4.49(4.79) |
| 线电阻(Ω) | 0.552/1.46 | 0.42/1.3 | 0.34/0.96 |
| 线电感(mH) | 5.4/14.2 | 4.59/14.2 | 3.75/10.6 |
| 电气时间常数(ms) | 10.38/9.73 | 11.9/10.92 | 12.3/11.4 |
| 绝缘等级 | Class F | ||
| 防护等级 | IP65 | ||
| 使用环境 | 环境温度:-20℃∽+50℃ 环境湿度:相对湿度<90%(不结霜条件) | ||
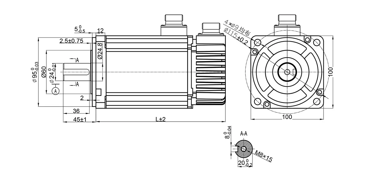
安装尺寸
| 额定力矩(N.m) | 3.2 | 4.9 | 6.4 |
| 不带抱闸尺寸(L) | 154 | 178 | 200 |
| 带抱闸尺寸(L) | 194 | 218 | 240 |

上一个
下一个
上一个
下一个
产品咨询
注意:请仔细天下您的电话号码或电子邮件,我们的专业人员会尽快与您联系!
厂房生产