80AST 5对极系列伺服电机
概要:
额定功率范围:0.4kW~1kW,额定转矩范围:1.27-3.2Nm,最高额定转速:3000rpm,适配220V-380V电压伺服驱动器,具有高响应\高精度\高防护\低转速波动\低温升\低振动噪音等特点,可根据客户要求配置17位\23位\25位编码器
关键词:
所属分类:
电话:
邮箱:
额定功率范围:0.4kW~1kW,额定转矩范围:1.27-3.2Nm,最高额定转速:3000rpm,适配220V-380V电压伺服驱动器,具有高响应\高精度\高防护\低转速波动\低温升\低振动噪音等特点,可根据客户要求配置17位\23位\25位编码器
详细介绍
| 电机型号 | 80AST-01330 | 80AST-02430 | 80AST-03230 |
| 额定功率(KW) | 0.4 | 0.75 | 1.0 |
| 额定线电压(V) | 220 | 220/380 | 220/380 |
| 额定线电流(A) | 2.8 | 4.2/2.5 | 6.5/3.4 |
| 额定转速(rpm) | 3000 | 3000 | 3000 |
| 额定力矩(N.m) | 1.27 | 2.39 | 3.2 |
| 峰值力矩(N.m) | 4.46 | 8.36 | 11.1 |
| 反电势(V/1000r/min) | 36 | 35/53.5 | 35/62.5 |
| 力矩系数(N.m/A) | 0.45 | 0.57/0.96 | 0.50/0.94 |
| 转子惯量(×10-4kg.m²) | 0.69(0.89) | 1.71(1.91) | 2.17(2.37) |
| 线电阻(Ω) | 3.69 | 1.64/4.5 | 1.01/2.96 |
| 线电感(mH) | 45.25 | 7.4/20.4 | 4.6/14.39 |
| 电气时间常数(ms) | 3.86 | 4.5/4.5 | 4.4/4.86 |
| 绝缘等级 | Class F | ||
| 防护等级 | IP65 | ||
| 使用环境 | 环境温度:-20℃∽+50℃ 环境湿度:相对湿度<90%(不结霜条件) | ||
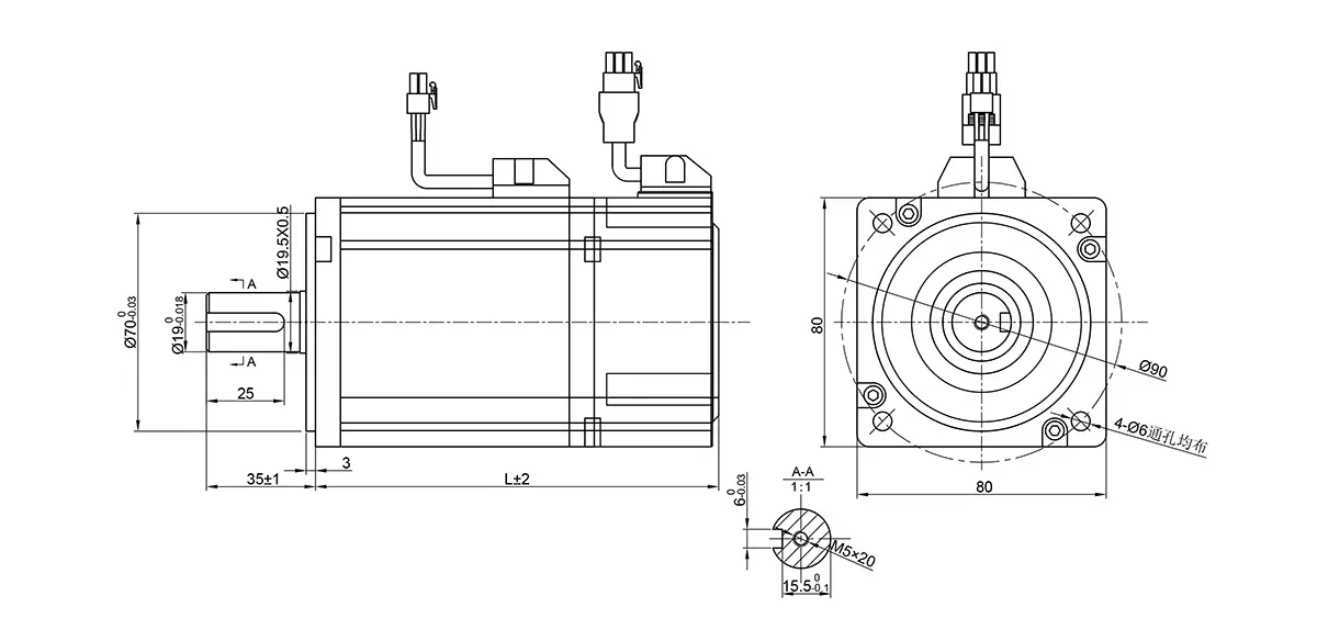
安装尺寸
| 额定力矩(N.m) | 1.27 | 2.39 | 3.2 |
| 不带抱闸尺寸(L) | 111 | 132 | 150 |
| 薄款尺寸(L) | 92 | 113 | 131 |
| 带抱闸尺寸(L) | 141 | 162 | 183 |
| 薄款带抱闸尺寸(L) | 122 | 143 | 164 |
*整体编码器为厚款,分体编码器为薄款

上一个
下一个
上一个
下一个
产品咨询
注意:请仔细天下您的电话号码或电子邮件,我们的专业人员会尽快与您联系!
厂房生产