130MM 三相式混合步进电机
概要:
关键词:
所属分类:
电话:
邮箱:
详细介绍
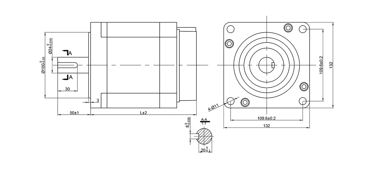
| 步进精度 | 温升 | 环境温度 | 绝缘电阻 | 耐压 | 径向跳动 | 轴向跳动 |
| ±5% | 80℃ Max | -20℃∽+50℃ | 100MΩ Min.500VDC | 500VDC 1minute |
0.02mm Max.(450g -load) |
0.08mm Max.(450g -load) |
技术数据
| 型号 | 步距角(*) | 机身长(L)(mm) | 保持转矩(N.m) | 额定电流(A/phase) | 电阻(Ω) | 电感(mH) | 转动惯量(gcm²) | 轴径(mm) | 轴伸(mm) | 重量(kg) |
| FHB31315 | 1.2 | 161 | 15 | 6.9 | 0.55 | 3.5 | 20000 | 24 | 平键 8×30 | 11 |
| FHB31318 | 1.2 | 190 | 20 | 6.9 | 0.72 | 4.7 | 26700 | 24 | 平键 8×30 | 14.1 |
| FHB31322 | 1.2 | 222 | 28 | 6.9 | 0.95 | 6.1 | 33970 | 24 | 平键 8×30 | 17.2 |
| FHB31325 | 1.2 | 254 | 35 | 6.9 | 1.1 | 7.4 | 41240 | 24 | 平键 8×30 | 19.8 |
| FHB31332 | 1.2 | 318 | 50 | 6.9 | 1.4 | 9.82 | 55780 | 24 | 平键 8×30 | 26 |
*以上仅为代表性产品,派生产品可根据客户要求制作!

上一个
下一个
上一个
下一个
产品咨询
注意:请仔细天下您的电话号码或电子邮件,我们的专业人员会尽快与您联系!
厂房生产