80A1ST 5对极系列伺服电机
概要:
额定功率范围:0.4kW~1kW,额定转矩范围:1.27~3.2Nm,最高额定转速:3000rpm,适配220V-380V电压伺服驱动器,具有高响应\高精度\高防护\低转速波动\低温升\低振动噪音等特点,可根据客户要求配置17位\23位\25位编码器
关键词:
所属分类:
电话:
邮箱:
额定功率范围:0.4kW~1kW,额定转矩范围:1.27~3.2Nm,最高额定转速:3000rpm,适配220V-380V电压伺服驱动器,具有高响应\高精度\高防护\低转速波动\低温升\低振动噪音等特点,可根据客户要求配置17位\23位\25位编码器
详细介绍
| 电机型号 | 80A1ST-01330 | 80A1ST-02430 | 80A1ST-03230 |
| 额定功率(KW) | 0.4 | 0.75 | 1 |
| 额定线电压(V) | 220 | 220/380 | 220/380 |
| 额定线电流(A) | 2.6 | 4.8/2.5 | 6.8/3.3 |
| 额定转速(rpm) | 3000 | 3000 | 3000 |
| 额定力矩(N.m) | 1.27 | 2.39 | 3.2 |
| 峰值力矩(N.m) | 3.81 | 8.36 | 9.6 |
| 反电势(V/1000r/min) | 28.4 | 31.5/57.1 | 31.2/64.4 |
| 力矩系数(N.m/A) | 0.49 | 0.50/0.96 | 0.47/0.97 |
| 转子惯量(×10-4kg.m²) | 0.84(1.04) | 1.51(1.71) | 2.01(2.21) |
| 线电阻(Ω) | 2.76 | 1.16/4 | 0.72/3 |
| 线电感(mH) | 7.2 | 4.1/8 | 2.5/4.2 |
| 电气时间常数(ms) | 7.5 | 4.7/8.5 | 3/4.6 |
| 绝缘等级 | Class F | ||
| 防护等级 | IP65 | ||
| 使用环境 | 环境温度:-20℃∽+50℃ 环境湿度:相对湿度<90%(不结霜条件) | ||
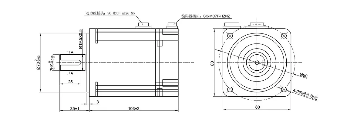
安装尺寸
| 额定力矩(N.m) | 1.27 | 2.39 | 3.2 |
| 不带抱闸尺寸(L) | 102 | 120 | 134 |
| 薄款尺寸(L) | 83 | 101 | 115 |
| 带抱闸尺寸(L) | 136 | 154 | 168 |
| 薄款带抱闸尺寸(L) | 117 | 135 | 149 |
*整体编码器为厚款,分体编码器为薄款

上一个
下一个
上一个
下一个
产品咨询
注意:请仔细天下您的电话号码或电子邮件,我们的专业人员会尽快与您联系!
厂房生产