130AST 5对极系列伺服电机
概要:
额定功率范围:0.65kW~3.1kW,额定转矩范围:4.2~14.6Nm,最高额定转速:3000rpm,适配220V-380V电压伺服驱动器,具有高响应\高精度\高防护\低转速波动\低温升\低振动噪音等特点,可根据客户要求配置17位\23位\25位编码器
关键词:
所属分类:
电话:
邮箱:
额定功率范围:0.65kW~3.1kW,额定转矩范围:4.2~14.6Nm,最高额定转速:3000rpm,适配220V-380V电压伺服驱动器,具有高响应\高精度\高防护\低转速波动\低温升\低振动噪音等特点,可根据客户要求配置17位\23位\25位编码器
详细介绍
| 电机型号 | 130AST-04215 | 130AST-05415 | 130AST-06415 | 130AST-07515 | 130AST-08415 |
| 额定功率(KW) | 0.65 | 0.85 | 1.0 | 1.2 | 1.3 |
| 额定线电压(V) | 220 | 220/380 | 220/380 | 220/380 | 220/380 |
| 额定线电流(A) | 5 | 6.5/3.5 | 7.3/4 | 9/4.5 | 9.5/4.8 |
| 额定转速(rpm) | 1500 | 1500 | 1500 | 1500 | 1500 |
| 额定力矩(N.m) | 4.2 | 5.4 | 6.4 | 7.5 | 8.4 |
| 峰值力矩(N.m) | 12.6 | 16.2 | 19.2 | 22.5 | 25.2 |
| 反电势(V/1000r/min) | 59 | 57.5/110 | 58.9/110.5 | 51.5/112.3 | 59.5/119 |
| 力矩系数(N.m/A) | 0.84 | 1.9/1.54 | 1.88/1.5 | 0.83/1.67 | 0.88/1.75 |
| 转子惯量(×10-3kg.m²) | 1.163(1.353) | 1.388(1.578) | 1.604(1.771) | 1.857(2.024) | 2.059(2.228) |
| 线电阻(Ω) | 1.37 | 1.2/3.2 | 0.75/2.5 | 0.52/2.4 | 0.56/2.1 |
| 线电感(mH) | 6.29 | 5.2/17 | 4/13.3 | 2.84/13.5 | 3.1/11.9 |
| 电气时间常数(ms) | 4.6 | 4.3/5.3 | 5.33/5.3 | 5.46/5.5 | 5.5/5.67 |
| 绝缘等级 | Class F | ||||
| 防护等级 | IP65 | ||||
| 使用环境 | 环境温度:-20℃∽+50℃ 环境湿度:相对湿度<90%(不结霜条件) | ||||
| 电机型号 | 130AST-09615 | 130AST-11515 | 130AST-14615 | 130AST-04230 | 130AST-05430 |
| 额定功率(KW) | 1.5 | 1.8 | 2.3 | 1.3 | 1.7 |
| 额定线电压(V) | 220/380 | 220/380 | 220/380 | 220/380 | 220/380 |
| 额定线电流(A) | 10.0//5.6 | 14.0/6.3 | 16.0/8.3 | 5.5/3.4 | 9.5/4.5 |
| 额定转速(rpm) | 1500 | 1500 | 1500 | 1500 | 1500 |
| 额定力矩(N.m) | 9.6 | 11.5 | 14.6 | 4.2 | 5.4 |
| 峰值力矩(N.m) | 28.8 | 34.5 | 43.8 | 12.6 | 16.2 |
| 反电势(V/1000r/min) | 61/113 | 67/121 | 60/121 | 49/84.5 | 42/77.5 |
| 力矩系数(N.m/A) | 0.96/1.71 | 0.82/1.83 | 0.91/1.76 | 0.76/1.24 | 0.57/1.2 |
| 转子惯量(×10-3kg.m²) | 2.369(2.536) | 3.015(3.182) | 4.07(4.237) | 1.163(1.353) | 1.388(1.578) |
| 线电阻(Ω) | 0.63/1.6 | 0.4/1.31 | 0.24/0.88 | 0.88/2.36 | 0.55/1.6 |
| 线电感(mH) | 3.5/8.96 | 2.8/8.55 | 1.9/6.17 | 4.3/10.8 | 2.85/6.88 |
| 电气时间常数(ms) | 5.5/5.6 | 7.0/6.53 | 7.9/7 | 4.9/4.58 | 5.2/4.3 |
| 绝缘等级 | Class F | ||||
| 防护等级 | IP65 | ||||
| 使用环境 | 环境温度:-20℃∽+50℃ 环境湿度:相对湿度<90%(不结霜条件) | ||||
| 电机型号 | 130AST-06430 | 130AST-07530 | 130AT-08430 | 130AST-09625 | 130AST-11520 | 130AT-14620 |
| 额定功率(KW) | 2.0 | 2.4 | 2.6 | 2.5 | 2.4 | 3.1 |
| 额定线电压(V) | 220/380 | 220/380 | 220/380 | 220/380 | 220/380 | 220/380 |
| 额定线电流(A) | 11.5/5.3 | 12.0/6.8 | 13.5/9.5 | 16.0/9 | 17.8/8.5 | 23.0/13.5 |
| 额定转速(rpm) | 3000 | 3000 | 3000 | 2500 | 2000 | 2000 |
| 额定力矩(N.m) | 6.4 | 7.5 | 8.4 | 9.6 | 11.5 | 14.6 |
| 峰值力矩(N.m) | 19.2 | 22.5 | 25.2 | 28.8 | 34.5 | 43.8 |
| 反电势(V/1000r/min) | 41/78.2 | 41/75 | 41.6/59.5 | 41.4/73 | 53.5/87.5 | 41.9/71.5 |
| 力矩系数(N.m/A) | 0.56/1.21 | 0.63/1.1 | 0.62/0.88 | 0.60/1.07 | 0.65/1.35 | 0.63/1.08 |
| 转子惯量(×10-3kg.m²) | 1.60(1.77) | 1.85(2.02) | 2.05(2.22) | 2.36(2.53) | 3.01(3.18) | 4.07(1.23) |
| 线电阻(Ω) | 0.44/1.3 | 0.34/0.94 | 0.33/0.56 | 0.23/0.64 | 0.23/0.72 | 0.17/0.3 |
| 线电感(mH) | 2.0/5.8 | 1.7/4.7 | 1.7/3.1 | 1.11/3.1 | 1.1/5.04 | 0.77/1.35 |
| 电气时间常数(ms) | 4.5/4.46 | 5.0/5.0 | 5.2/5.5 | 4.83/4.84 | 4.78/7 | 4.5/4.5 |
| 绝缘等级 | Class F | |||||
| 防护等级 | IP65 | |||||
| 使用环境 | 环境温度:-20℃∽+50℃ 环境湿度:相对湿度<90%(不结霜条件) | |||||
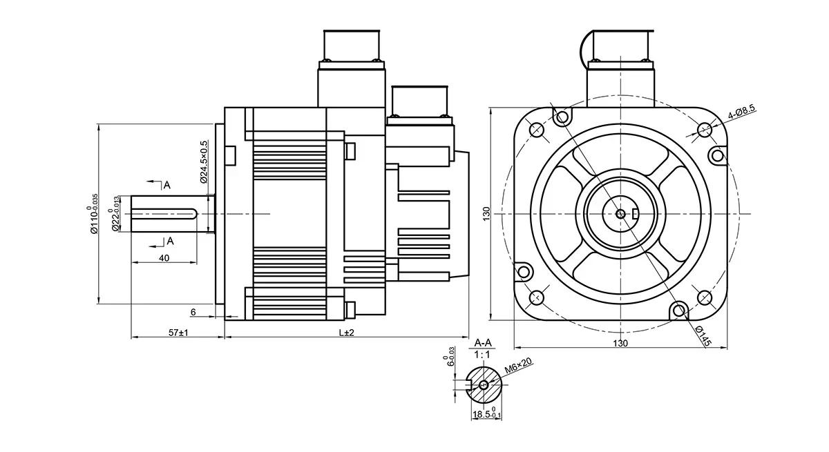
安装尺寸
| 额定力矩(N.m) | 4.2 | 5.4 | 6.4 | 7.5 | 8.4 | 9.6 | 11.5 | 14.6 |
| 不带抱闸尺寸(L) | 149 | 155 | 162 | 169 | 175 | 183 | 202 | 234 |
| 带抱闸尺寸(L) | 171 | 177 | 184 | 191 | 197 | 205 | 224 | 256 |

上一个
上一个
产品咨询
注意:请仔细天下您的电话号码或电子邮件,我们的专业人员会尽快与您联系!
厂房生产