130EST 5对极系列伺服电机
概要:
额定功率范围:0.85kW~2.3kW,额定转矩范围:5.4~14.6Nm,最高额定转速:3000rpm,适配220V-380电压伺服驱动器,具有高响应\高精度\高防护\低转速波动\低温升\低振动噪音等特点,可根据客户要求配置17位\23位\25位编码器
关键词:
所属分类:
电话:
邮箱:
额定功率范围:0.85kW~2.3kW,额定转矩范围:5.4~14.6Nm,最高额定转速:3000rpm,适配220V-380电压伺服驱动器,具有高响应\高精度\高防护\低转速波动\低温升\低振动噪音等特点,可根据客户要求配置17位\23位\25位编码器
详细介绍
| 电机型号 | 130EST-05415 | 130EST-08415 | 130EST-11515 | 130EST-14615 |
| 额定功率(KW) | 0.85 | 1.3 | 1.8 | 2.3 |
| 额定线电压(V) | 220/380 | 220/380 | 220/380 | 220/380 |
| 额定线电流(A) | 5.6/3.5 | 8.5/5.2 | 11.5/6.8 | 16.5/9 |
| 额定转速(rpm) | 1500 | 1500 | 1500 | 1500 |
| 额定力矩(N.m) | 5.4 | 8.4 | 11.5 | 14.6 |
| 峰值力矩(N.m) | 16.2 | 25.2 | 34.5 | 43.8 |
| 反电势(V/1000r/min) | 65/102 | 65/108 | 65/110.5 | 59/108 |
| 力矩系数(N.m/A) | 0.9/1.54 | 0.98/1.6 | 1/1.69 | 0.88/1.62 |
| 转子惯量(×10-3kg.m²) | 1.16(1.35) | 1.73(1.92) | 2.37(2.56) | 3.02(3.21) |
| 线电阻(Ω) | 1.2/3 | 0.64/1.66 | 0.42/1.19 | 0.25/0.85 |
| 线电感(mH) | 17.6/44 | 10/30.13 | 7.1/19.98 | 4.59/15.6 |
| 电气时间常数(ms) | 14.67/14.66 | 15.6/18.15 | 16.9/16.79 | 18.36/18.35 |
| 绝缘等级 | Class F | |||
| 防护等级 | IP65 | |||
| 使用环境 | 环境温度:-20℃∽+50℃ 环境湿度:相对湿度<90%(不结霜条件) | |||
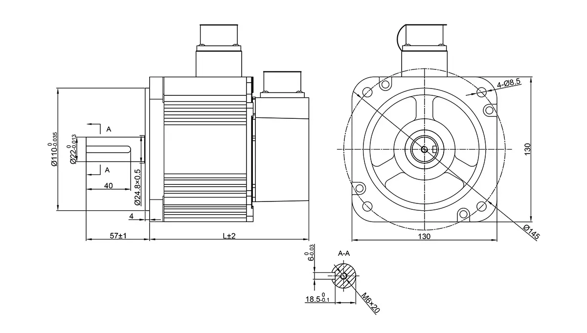
安装尺寸
*28K插头为厚款,军规插头为薄款
| 额定力矩(N.m) | 5.4 | 8.4 | 11.5 | 14.6 |
| 不带抱闸尺寸(L) | 143 | 160 | 179 | 198 |
| 薄款尺寸(L) | 133 | 150 | 169 | 188 |
| 带抱闸尺寸(L) | 166 | 183 | 202 | 221 |
| 薄款带抱闸尺寸(L) | 156 | 173 | 192 | 211 |

下一个
下一个
产品咨询
注意:请仔细天下您的电话号码或电子邮件,我们的专业人员会尽快与您联系!
厂房生产