60ST 4对极系列伺服电机
概要:
额定功率范围:0.2kW~0.6kW,额定转矩范围:0.6~1.91Nm,最高额定转速:3000rpm,适配220v电压伺服驱动器,具有高响应\高精度\高防护\低转速波动\低温升\低振动噪音等特点,可根据客户要求配置17位\23位\25位编码器
关键词:
所属分类:
电话:
邮箱:
额定功率范围:0.2kW~0.6kW,额定转矩范围:0.6~1.91Nm,最高额定转速:3000rpm,适配220v电压伺服驱动器,具有高响应\高精度\高防护\低转速波动\低温升\低振动噪音等特点,可根据客户要求配置17位\23位\25位编码器
详细介绍
| 电机型号 | 60ST-00630 | 60ST-01330 | 60ST-01930 |
| 额定功率(KW) | 0.2 | 0.4 | 0.6 |
| 额定线电压(V) | 220 | 220 | 220 |
| 额定线电流(A) | 1.2 | 2.8 | 3.5 |
| 额定转速(rpm) | 3000 | 3000 | 3000 |
| 额定力矩(N.m) | 0.637 | 1.27 | 1.91 |
| 峰值力矩(N.m) | 1.91 | 3.9 | 5.73 |
| 反电势(V/1000r/min) | 32.8 | 29.2 | 33.8 |
| 力矩系数(N.m/A) | 0.53 | 0.45 | 0.55 |
| 转子惯量(×10-4kg.m²) | 0.175 | 0.29 | 0.39 |
| 线电阻(Ω) | 6.12 | 2.31 | 1.98 |
| 线电感(mH) | 29 | 14.43 | 12.06 |
| 电气时间常数(ms) | 4.74 | 6.25 | 6.09 |
| 绝缘等级 | Class F | ||
| 防护等级 | IP65 | ||
| 使用环境 | 环境温度:-20℃∽+50℃ 环境湿度:相对湿度<90%(不结霜条件) | ||
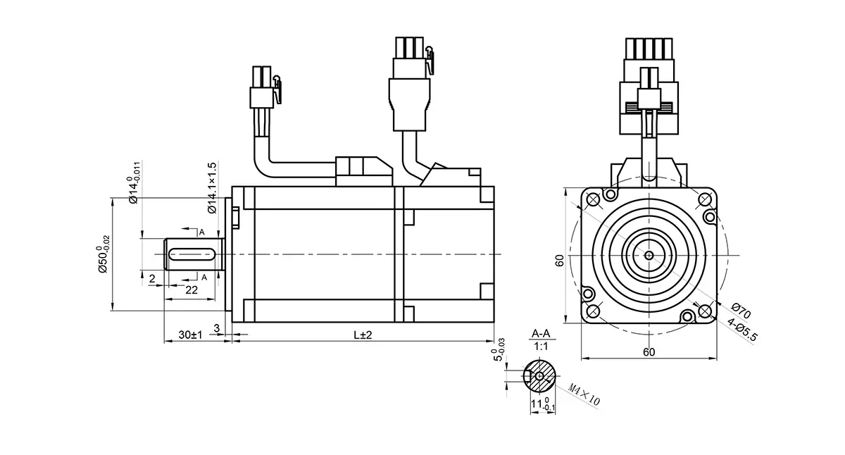
安装尺寸
| 额定力矩(N.m) | 60ST-00630LBX | 60ST-01330LBX | 60ST-01930LBX |
| 不带抱闸尺寸(L) | 116 | 141 | 169 |
| 带抱闸尺寸(L) | 148 | 173 | 201 |

上一个
下一个
上一个
下一个
产品咨询
注意:请仔细天下您的电话号码或电子邮件,我们的专业人员会尽快与您联系!
厂房生产