80ST 4对极系列伺服电机
概要:
额定功率范围:0.4kW~1kW,额定转矩范围:1.27~4.0Nm,最高额定转速:3000rpm,适配220v~380v电压伺服驱动器,具有高响应\高精度\高防护\低转速波动\低温升\低振动噪音等特点,可根据客户要求配置17位\23位\25位编码器
关键词:
所属分类:
电话:
邮箱:
额定功率范围:0.4kW~1kW,额定转矩范围:1.27~4.0Nm,最高额定转速:3000rpm,适配220v~380v电压伺服驱动器,具有高响应\高精度\高防护\低转速波动\低温升\低振动噪音等特点,可根据客户要求配置17位\23位\25位编码器
详细介绍
| 电机型号 | 80ST-01330 | 80ST-02430 | 80ST-03520 | 80ST-04025 |
| 额定功率(KW) | 0.4 | 0.75 | 0.73 | 1.0 |
| 额定线电压(V) | 220 | 220/380 | 220/380 | 220/380 |
| 额定线电流(A) | 2.0 | 3.0/2.0 | 3.0/1.8 | 4.4/2.5 |
| 额定转速(rpm) | 3000 | 3000 | 2000 | 2500 |
| 额定力矩(N.m) | 1.27 | 2.39 | 3.5 | 4.0 |
| 峰值力矩(N.m) | 3.8 | 7.1 | 10.5 | 12.0 |
| 反电势(V/1000r/min) | 35.6 | 48/89 | 73.8/122 | 55/105 |
| 力矩系数(N.m/A) | 0.64 | 0.8/1.2 | 1.17/1.94 | 0.9/1.6 |
| 转子惯量(×10-4kg.m²) | 1.05 | 1.82 | 2.63 | 2.97 |
| 线电阻(Ω) | 4.26 | 2.84/9.1 | 3.66/10.8 | 1.84/6.7 |
| 线电感(mH) | 7.87 | 5.35/19.9 | 7.54/24.6 | 4.01/16.1 |
| 电气时间常数(ms) | 1.85 | 1.88/2.19 | 2.06/2.28 | 2.18/2.4 |
| 绝缘等级 | Class F | |||
| 防护等级 | IP65 | |||
| 使用环境 | 环境温度:-20℃∽+50℃ 环境湿度:相对湿度<90%(不结霜条件) | |||
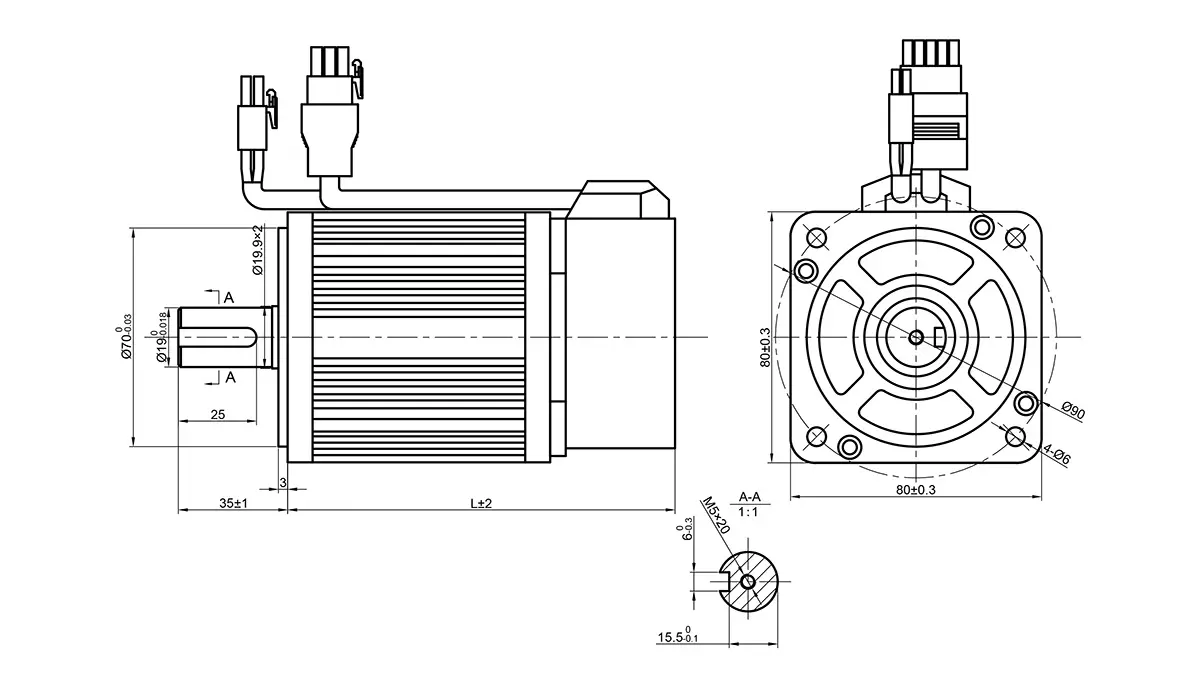
安装尺寸
| 额定力矩(N.m) | 80ST-01330 | 80ST-02430 | 80ST-03520 | 80ST-04025 |
| 不带抱闸尺寸(L) | 124 | 151 | 179 | 191 |
| 带抱闸尺寸(L) | 164 | 191 | 219 | 231 |

上一个
下一个
上一个
下一个
产品咨询
注意:请仔细天下您的电话号码或电子邮件,我们的专业人员会尽快与您联系!
厂房生产