180ADT 低压伺服电机
概要:
额定功率范围:2.9-3.0kW,额定转矩范围:18.6-28.4Nm,最高额定转速:3000rpm,适配48V电压伺服驱动器,具有高响应\高精度\高防护\低转速波动\低温升\低振动噪音等特点,可根据客户要求配置17位\23位\25位编码器
关键词:
所属分类:
电话:
邮箱:
额定功率范围:2.9-3.0kW,额定转矩范围:18.6-28.4Nm,最高额定转速:3000rpm,适配48V电压伺服驱动器,具有高响应\高精度\高防护\低转速波动\低温升\低振动噪音等特点,可根据客户要求配置17位\23位\25位编码器
详细介绍
| 电机型号 | 180ADT-M18615DBX | 180ADT-M28410DBX |
| 额定功率(KW) | 2.9 | 3 |
| 额定线电压(V) | 48 | 48 |
| 额定线电流(A) | 75 | 74 |
| 额定转速(rpm) | 1500 | 1000 |
| 额定力矩(N·m) | 18.6 | 28.4 |
| 峰值力矩(N·m) | 56 | 85 |
| 反电势(V/1000r/min) | 8.4 | 24.9 |
| 力矩系数(N·m/A) | 0.25 | 0.38 |
| 转子惯量(×10-3kg.m²) | 6.18 | 9.13 |
| 线电阻(Ω) | 0.008 | 0.01 |
| 线电感(mH) | 0.13 | 0.14 |
| 电气时间常数(ms) | 16.3 | 14 |
| 绝缘等级 | Class F | |
| 防护等级 | IP65 | |
| 使用环境 | 环境温度:-20℃∽+50℃ 环境湿度:相对湿度<90%(不结霜条件) | |
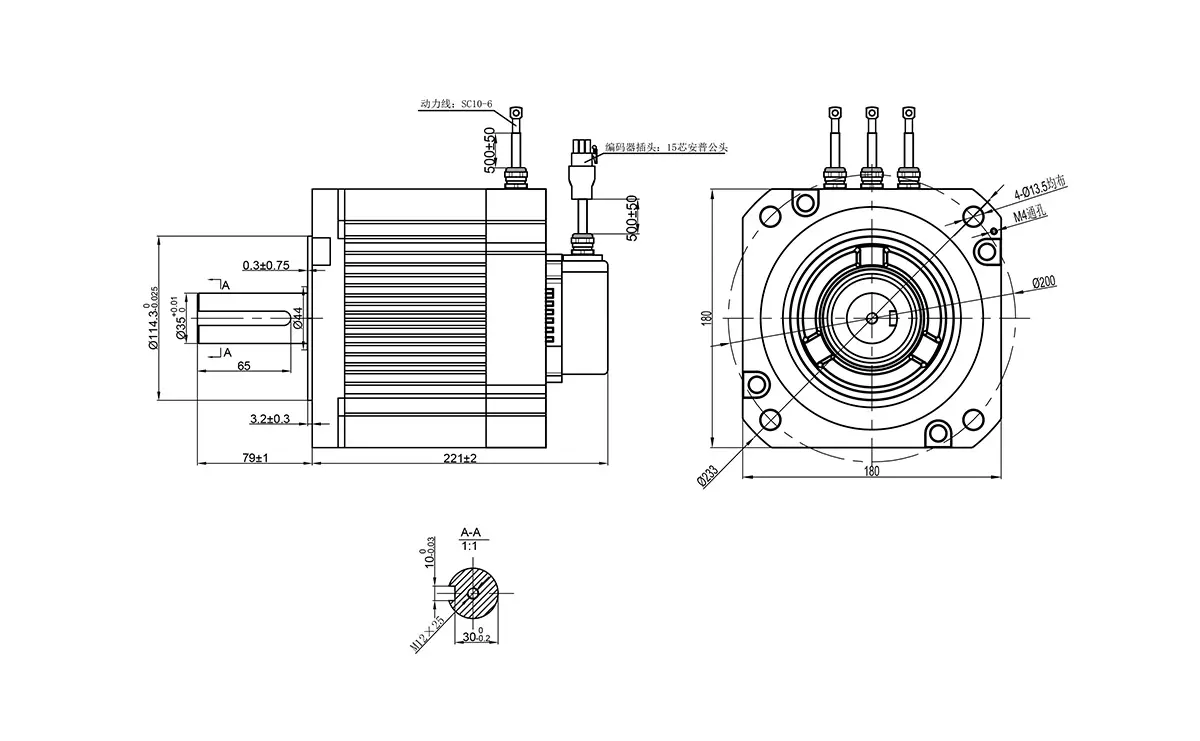
安装尺寸
| 额定力矩(N·m) | 18.6 | 28.4 |
| 常规尺寸(L) | 221 | 256 |

上一个
下一个
上一个
下一个
产品咨询
注意:请仔细天下您的电话号码或电子邮件,我们的专业人员会尽快与您联系!
厂房生产