130ADT 低压伺服电机
概要:
额定功率范围:0.65-3.1kW,额定转矩范围:4.2-14.6Nm,最高额定转速:3000rpm,适配48V电压伺服驱动器,具有高响应\高精度\高防护\低转速波动\低温升\低振动噪音等特点,可根据客户要求配置17位\23位\25位编码器
关键词:
所属分类:
电话:
邮箱:
额定功率范围:0.65-3.1kW,额定转矩范围:4.2-14.6Nm,最高额定转速:3000rpm,适配48V电压伺服驱动器,具有高响应\高精度\高防护\低转速波动\低温升\低振动噪音等特点,可根据客户要求配置17位\23位\25位编码器
详细介绍
| 电机型号 | 130ADT-W06430DBX | 130ADT-W08430DBX | 130ADT-W09630DBX | 130ADT-W12730DBX | 130ADT-R14620DBX |
| 额定功率(KW) | 2 | 2.6 | 3 | 4 | 3.1 |
| 额定线电压(V) | 48 | 48 | 48 | 48 | 48 |
| 额定线电流(A) | 51 | 70 | 70 | 78.5 | 72 |
| 额定转速(rpm) | 3000 | 3000 | 3000 | 3000 | 2000 |
| 额定力矩(N·m) | 6.4 | 8.4 | 9.6 | 12.7 | 14.6 |
| 峰值力矩(N·m) | 19.2 | 25.2 | 28.8 | 38.1 | 43.8 |
| 反电势(V/1000r/min) | 8.3 | 7.8 | 8.9 | 10.4 | 13.3 |
| 力矩系数(N·m/A) | 0.284 | 0.12 | 0.14 | 0.16 | 0.03 |
| 转子惯量(×10-3kg.m²) | 1.328 | 1.73 | 1.934 | 3.02 | 3.02 |
| 线电阻(Ω) | 0.014 | 0.012 | 0.01 | 0.008 | 0.015 |
| 线电感(mH) | 0.133 | 0.11 | 0.13 | 0.1 | 0.156 |
| 电气时间常数(ms) | 9.5 | 9.2 | 13 | 12.5 | 10.4 |
| 绝缘等级 | Class F | ||||
| 防护等级 | IP65 | ||||
| 使用环境 | 环境温度:-20℃∽+50℃ 环境湿度:相对湿度<90%(不结霜条件) | ||||
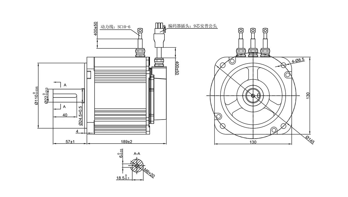
安装尺寸
额定力矩(N.m) | 6.4 | 8.4 | 9.6 | 12.7 | 14.6 |
常规尺寸(L) | 161 | 172 | 179 | 210 | 210 |
薄款尺寸(L) | 140 | 151 | 158 | 189 | 189 |
常规带抱闸尺寸(L) | 183 | 194 | 201 | 232 | 232 |
薄款带抱闸尺寸(L) | 162 | 173 | 180 | 211 | 211 |

上一个
下一个
上一个
下一个
产品咨询
注意:请仔细天下您的电话号码或电子邮件,我们的专业人员会尽快与您联系!
厂房生产