180ST 4对极系列伺服电机
概要:
额定功率范围:2.7kW~7.5kW,额定转矩范围:17.2~48Nm,最高额定转速:2000rpm,适配220v~380v电压伺服驱动器,具有高响应\高精度\高防护\低转速波动\低温升\低振动噪音等特点,可根据客户要求配置17位\23位\25位编码器
关键词:
所属分类:
电话:
邮箱:
额定功率范围:2.7kW~7.5kW,额定转矩范围:17.2~48Nm,最高额定转速:2000rpm,适配220v~380v电压伺服驱动器,具有高响应\高精度\高防护\低转速波动\低温升\低振动噪音等特点,可根据客户要求配置17位\23位\25位编码器
详细介绍
| 电机型号 | 180ST-17215 | 180ST-19015 | 180ST-21520 | 180ST-27015 | 180ST-35015 | 180ST-48015 |
| 额定功率(KW) | 2.7 | 3.0 | 4.5 | 4.3 | 5.5 | 7.5 |
| 额定线电压(V) | 220/380 | 220/380 | 220/380 | 220/380 | 220/380 | 220/380 |
| 额定线电流(A) | 11.5/6.5 | 13/7.5 | 17/9.5 | 16.4/10 | 24.7/12 | 31/20 |
| 额定转速(rpm) | 1500 | 1500 | 2000 | 1500 | 1500 | 1500 |
| 额定力矩(N.m) | 17.2 | 19 | 21.5 | 27 | 35 | 48 |
| 峰值力矩(N.m) | 43 | 47 | 53 | 67 | 70 | 96 |
| 反电势(V/1000r/min) | 113.6/167 | 93.6/170 | 81.8/140 | 105.4/172 | 89/181 | 96.6/156 |
| 力矩系数(N.m/A) | 1.5/2.65 | 1.46/2.5 | 1.26/2.26 | 1.65/2.7 | 1.42/2.9 | 1.5/2.4 |
| 转子惯量(×10-3kg.m²) | 6.5 | 7.0 | 7.96 | 9.64 | 12.25 | 16.72 |
| 线电阻(Ω) | 0.61/1.47 | 0.38/1.16 | 0.24/0.68 | 0.27/0.79 | 0.17/0.55 | 0.11/0.29 |
| 线电感(mH) | 3.21/7.8 | 2.39/6.69 | 1.36/3.98 | 1.61/4.76 | 1.49/3.69 | 0.69/1.99 |
| 电气时间常数(ms) | 5.26/5.3 | 6.29/5.77 | 5.67/5.85 | 5.96/6.03 | 8.76/6.71 | 6.27/6.86 |
| 绝缘等级 | Class F | |||||
| 防护等级 | IP65 | |||||
| 使用环境 | 环境温度:-20℃∽+50℃ 环境湿度:相对湿度<90%(不结霜条件) | |||||
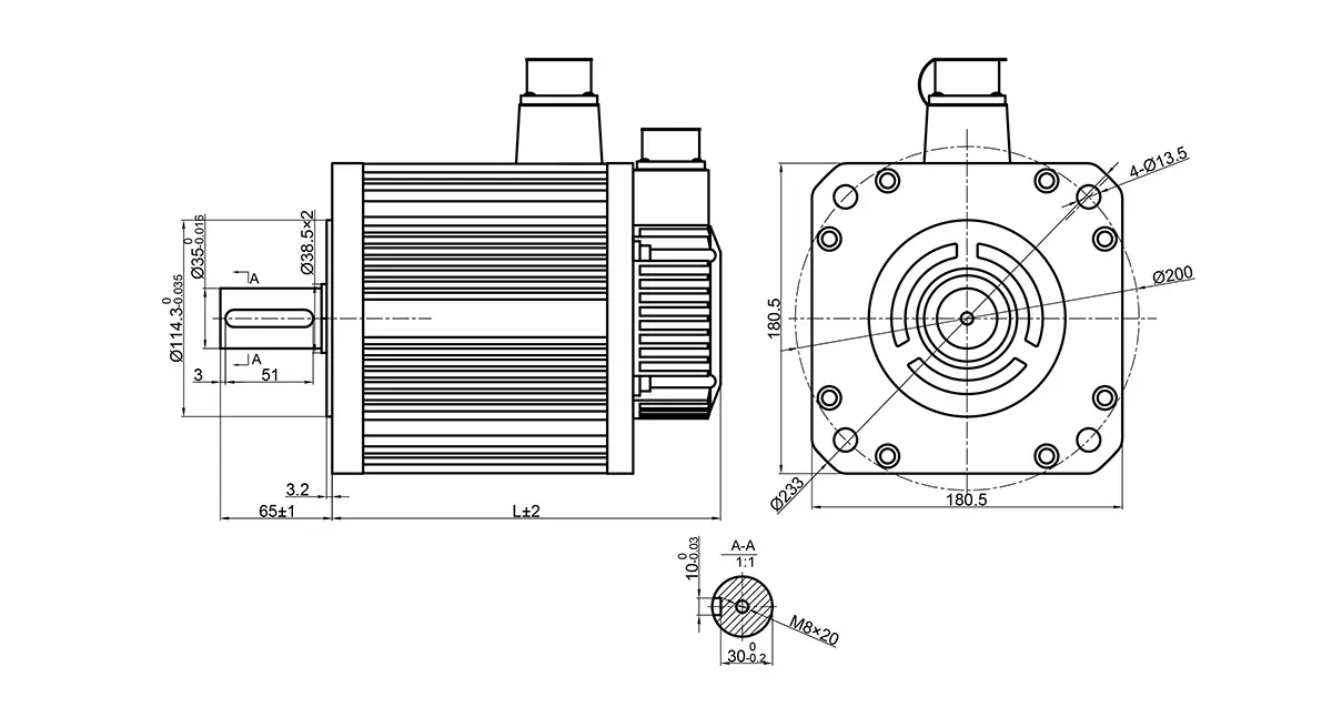
安装尺寸
| 额定力矩(N.m) | 17.2 | 19 | 21.5 | 27 | 35 | 48 |
| 不带抱闸尺寸(L) | 226 | 232 | 243 | 262 | 292 | 346 |
| 带抱闸尺寸(L) | 298 | 304 | 315 | 334 | 364 | 418 |

上一个
下一个
上一个
下一个
产品咨询
注意:请仔细天下您的电话号码或电子邮件,我们的专业人员会尽快与您联系!
厂房生产