150ST 4对极系列伺服电机
概要:
额定功率范围:3.0kW~5.5kW,额定转矩范围:15~27Nm,最高额定转速:3000rpm,适配220v~380v电压伺服驱动器,具有高响应\高精度\高防护\低转速波动\低温升\低振动噪音等特点,可根据客户要求配置17位\23位\25位编码器
关键词:
所属分类:
电话:
邮箱:
额定功率范围:3.0kW~5.5kW,额定转矩范围:15~27Nm,最高额定转速:3000rpm,适配220v~380v电压伺服驱动器,具有高响应\高精度\高防护\低转速波动\低温升\低振动噪音等特点,可根据客户要求配置17位\23位\25位编码器
详细介绍
| 电机型号 | 150ST-15020 | 150ST-15025 | 150ST-18020 | 150ST-23020 | 150ST-27020 |
| 额定功率(KW) | 3.0 | 3.8 | 3.6 | 4.7 | 5.5 |
| 额定线电压(V) | 220/380 | 220/380 | 220/380 | 220/380 | 220/380 |
| 额定线电流(A) | 14/7 | 17/9.5 | 17.5/9.5 | 20.5/12 | 25.5/14.5 |
| 额定转速(rpm) | 2000 | 2500 | 2000 | 2000 | 2000 |
| 额定力矩(N.m) | 15 | 15 | 18 | 23 | 27 |
| 峰值力矩(N.m) | 30 | 30 | 36 | 46 | 54 |
| 反电势(V/1000r/min) | 70/141 | 59/106 | 71/127 | 864/126 | 64/127 |
| 力矩系数(N.m/A) | 1.07/2.14 | 0.88/1.58 | 1.03/1.89 | 1.12/1.92 | 1.1/1.86 |
| 转子惯量(×10-3kg.m²) | 3.88 | 3.88 | 4.6 | 5.8 | 6.8 |
| 线电阻(Ω) | 0.34/1.4 | 0.23/0.72 | 0.25/1.0 | 0.20/0.6 | 0.12/0.51 |
| 线电感(mH) | 1.55/6.1 | 0.99/3.5 | 1.27/4.5 | 0.99/3.2 | 0.68/2.7 |
| 电气时间常数(ms) | 4.56/4.36 | 1.30/4.86 | 5.08/4.5 | 4.95/5.33 | 5.67/5.3 |
| 绝缘等级 | Class F | ||||
| 防护等级 | IP65 | ||||
| 使用环境 | 环境温度:-20℃∽+50℃ 环境湿度:相对湿度<90%(不结霜条件) | ||||
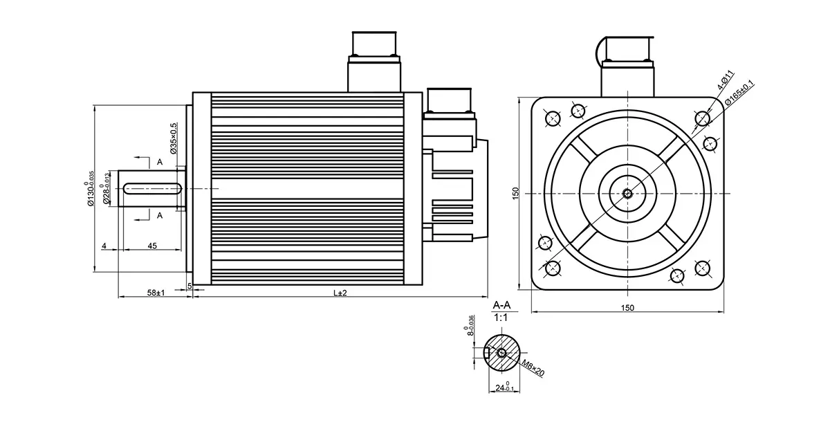
安装尺寸
| 额定力矩(N.m) | 15 | 18 | 23 | 27 |
| 不带抱闸尺寸(L) | 230 | 248 | 278 | 302 |
| 带抱闸尺寸(L) | 303 | 321 | 351 | 375 |

上一个
下一个
上一个
下一个
产品咨询
注意:请仔细天下您的电话号码或电子邮件,我们的专业人员会尽快与您联系!
厂房生产