80AD1T 低压伺服电机
概要:
额定功率范围:750-1000W,额定扭矩范围:2.39-3.18Nm,最高额定转速:3000rpm,兼容48V电压伺服驱动器,具备高响应、高精度、高防护性,以及低速波动、温升低、振动噪声小等特性。可根据客户需求配置17位、23位、25位编码器。
关键词:
所属分类:
电话:
邮箱:
额定功率范围:750-1000W,额定扭矩范围:2.39-3.18Nm,最高额定转速:3000rpm,兼容48V电压伺服驱动器,具备高响应、高精度、高防护性,以及低速波动、温升低、振动噪声小等特性。可根据客户需求配置17位、23位、25位编码器。
详细介绍
| 电机型号 | 80AD1T-02430DBX | 80AD1T-03230DBX |
| 额定功率(W) | 750 | 1000 |
| 额定线路电压(VDC) | 48 | 48 |
| 额定线路电流(A) | 20 | 27 |
| 额定转速(rpm) | 3000 | 3000 |
| 额定扭矩(N·m) | 2.39 | 3.18 |
| 最大扭矩(N·m) | 7.17 | 9.54 |
| 反电动势(V/1000r/min) | 7.6 | 7.7 |
| 扭矩常数(N·m/A) | 0.12 | 0.118 |
| 转子惯性(千克·米²) | 0.77×10 -4 | 1.03×10 -4 |
| 线路电阻(Ω) | 0.067 | 0.06 |
| 线路电感(mH) | 0.295 | 0.3 |
| 电气时间常数(毫秒) | 4.4 | 5 |
| 绝缘等级 | F级 | |
| 防护等级 | IP65 | |
| 运行环境 | 环境温度:-20℃∽+50℃ 环境湿度:相对湿度<90%(无霜条件) | |
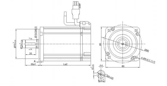
安装尺寸
| 额定扭矩(N·m) | 80AD1T-02430DBX | 80AD1T-03230DBX |
| 无刹车尺寸(长) | 86 | 100 |

上一个
下一个
上一个
下一个
产品咨询
注意:请仔细天下您的电话号码或电子邮件,我们的专业人员会尽快与您联系!
厂房生产