110ST 4对极系列伺服电机
概要:
额定功率范围:1.0kW~4.8kW,额定转矩范围:4~23Nm,最高额定转速:3000rpm,适配220v~380v电压伺服驱动器,具有高响应\高精度\高防护\低转速波动\低温升\低振动噪音等特点,可根据客户要求配置17位\23位\25位编码器
关键词:
所属分类:
电话:
邮箱:
额定功率范围:1.0kW~4.8kW,额定转矩范围:4~23Nm,最高额定转速:3000rpm,适配220v~380v电压伺服驱动器,具有高响应\高精度\高防护\低转速波动\低温升\低振动噪音等特点,可根据客户要求配置17位\23位\25位编码器
详细介绍
| 电机型号 | 110ST-04030 | 110ST-05030 | 110ST-06020 | 110ST-06030 | 110ST-10020 |
| 额定功率(KW) | 1.2 | 1.5 | 1.2 | 1.8 | 2.0 |
| 额定线电压(V) | 220/380 | 220/380 | 220/380 | 220/380 | 220/380 |
| 额定线电流(A) | 5.0/3 | 6.0/4.8 | 5.1/3 | 6.9/4.5 | 8.5/5 |
| 额定转速(rpm) | 3000 | 3000 | 2000 | 3000 | 2000 |
| 额定力矩(N.m) | 4 | 5 | 6 | 6 | 10 |
| 峰值力矩(N.m) | 12 | 15 | 18 | 18 | 20 |
| 反电势(V/1000r/min) | 50.5/89 | 56.5/90 | 76.5/133 | 56/90 | 73.4/144 |
| 力矩系数(N.m/A) | 0.8/1.33 | 0.83/1.04 | 1.18/2 | 0.87/1.33 | 1.18/2 |
| 转子惯量(×10-3kg.m²) | 0.54 | 0.63 | 0.76 | 0.76 | 0.98 |
| 线电阻(Ω) | 1.28/3.4 | 1.12/2.43 | 1.51/4.4 | 0.81/1.95 | 0.74/2.3 |
| 线电感(mH) | 3.18/8.65 | 3.04/6.6 | 4.53/12.5 | 2.59/5.8 | 2.45/8.1 |
| 电气时间常数(ms) | 2.48/2.5 | 2.71/2.72 | 3/2.84 | 3.2/2.97 | 3.31/3.5 |
| 绝缘等级 | Class F | ||||
| 防护等级 | IP65 | ||||
| 使用环境 | 环境温度:-20℃∽+50℃ 环境湿度:相对湿度<90%(不结霜条件) | ||||
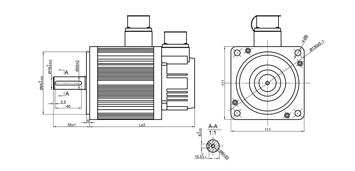
安装尺寸
| 额定力矩(N.m) | 4 | 5 | 6 | 10 |
| 不带抱闸尺寸(L) | 189 | 204 | 219 | 279 |
| 带抱闸尺寸(L) | 263 | 278 | 293 | 353 |

上一个
下一个
上一个
下一个
产品咨询
注意:请仔细天下您的电话号码或电子邮件,我们的专业人员会尽快与您联系!
厂房生产