90ST 4对极系列伺服电机
概要:
额定功率范围:0.75kW~1kW,额定转矩范围:2.4~4.0Nm,最高额定转速:3000rpm,适配220v~380v电压伺服驱动器,具有高响应\高精度\高防护\低转速波动\低温升\低振动噪音等特点,可根据客户要求配置17位\23位\25位编码器
关键词:
所属分类:
电话:
邮箱:
额定功率范围:0.75kW~1kW,额定转矩范围:2.4~4.0Nm,最高额定转速:3000rpm,适配220v~380v电压伺服驱动器,具有高响应\高精度\高防护\低转速波动\低温升\低振动噪音等特点,可根据客户要求配置17位\23位\25位编码器
详细介绍
| 电机型号 | 90ST-02430 | 90ST-03520 | 90ST-04025 |
| 额定功率(KW) | 0.75 | 0.73 | 1.0 |
| 额定线电压(V) | 220 | 220 | 220 |
| 额定线电流(A) | 3 | 3 | 4 |
| 额定转速(rpm) | 3000 | 2000 | 2500 |
| 额定力矩(N.m) | 2.4 | 3.5 | 4.0 |
| 峰值力矩(N.m) | 7.2 | 10.5 | 12.0 |
| 反电势(V/1000r/min) | 54 | 74 | 60 |
| 力矩系数(N.m/A) | 0.8 | 1.2 | 1.0 |
| 转子惯量(×10-4kg.m²) | 2.45 | 3.4 | 3.7 |
| 线电阻(Ω) | 3.22 | 4.29 | 2.58 |
| 线电感(mH) | 6.82 | 9.98 | 6.21 |
| 电气时间常数(ms) | 2.12 | 2.33 | 2.41 |
| 绝缘等级 | Class F | ||
| 防护等级 | IP65 | ||
| 使用环境 | 环境温度:-20℃∽+50℃ 环境湿度:相对湿度<90%(不结霜条件) | ||
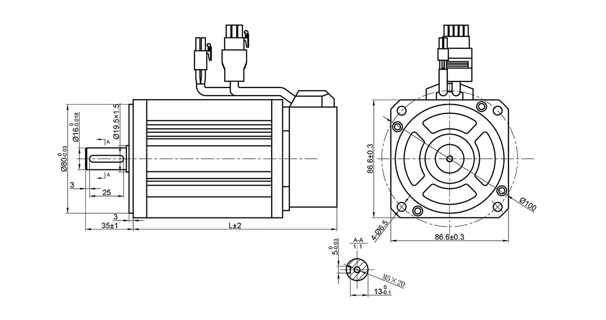
安装尺寸
| 额定力矩(N.m) | 2.4 | 3.5 | 4 |
| 不带抱闸尺寸(L) | 150 | 172 | 182 |
| 带抱闸尺寸(L) | 198 | 220 | 230 |

上一个
下一个
上一个
下一个
产品咨询
注意:请仔细天下您的电话号码或电子邮件,我们的专业人员会尽快与您联系!
厂房生产